Sign In | Join Free | My wneducation.com
China Zhangjiagang City Saibo Science & Technology Co.,Ltd logo
Zhangjiagang City Saibo Science & Technology Co.,Ltd
Zhangjiagang City Saibo Science & Technology Co.,Ltd future by heartiness, faith lead to the world 123th China Import and Export Fair (Canton Fair),the time is from 15th to 19th April,2018, our booth
Active Member

10 Years

Home > Downspout Roll Forming Machine >

Galvanized Steel Downspout Roll Forming Machine Hydraulic Decoiler 1 Inch Chain 3 Ton

Zhangjiagang City Saibo Science & Technology Co.,Ltd
Contact Now

Galvanized Steel Downspout Roll Forming Machine Hydraulic Decoiler 1 Inch Chain 3 Ton

  • 1
  • 2
  • 3

Brand Name : Saibo

Model Number : YX76.8-105

Certification : CE/ISO

Place of Origin : China

MOQ : 1 set

Price : negotiation

Supply Ability : 300 sets per year

Delivery Time : 60 working days after received deposit

Packaging Details : Suitable for ocean shipment

Power : 5.5kw+5.5kw+2.2kw

Size : 76.8-105

Steel thickness : 0.4-0.7mm

Decoiler : Hydraulic

Station : 20 stations

Roller material : 45# steel

Drive : 1 inch Chain

Container need : 1X40GP

Contact Now

Galvanized Steel Downspout Roll Forming Machine Hydraulic Decoiler 1 Inch Chain

Main specification

No Specification of the material

1

Suitable Material Colored Steel plate, Galvanized steel

2

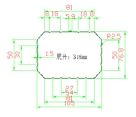
Width of the raw material 318mm
3 Thickness 0.4-0.7mm

Profile drawing:

Galvanized Steel Downspout Roll Forming Machine Hydraulic Decoiler 1 Inch Chain 3 Ton

The Chart of Process Flow

Galvanized Steel Downspout Roll Forming Machine Hydraulic Decoiler 1 Inch Chain 3 Ton

Hydraulic Uncoiler—Roll Forming—Cutting—out table

Specification of Components

No Technical Specification & Remark
1

Hydraulic Uncoiler

Galvanized Steel Downspout Roll Forming Machine Hydraulic Decoiler 1 Inch Chain 3 Ton

  • Capability: 3 Ton
  • Mode of expand &fight: inner expand &fight by Hydraulic
  • Way of feeding: electrical
  • main power; 4kw
2

Main Roll Forming Machine

  • Roller material:ASTM1045 chrome plated surface with chrome
  • Shaft diameter: ¢65mm material: SAE1045 with tempering
3

Machine structure:

  • Main frame by 350H beam welding
  • Machine structure: wall board panel
4

Hydraulic cutting system

  • Cutting after forming: Cut the sheet after roll forming to required length
  • Material of blade:Cr12, 58-62 HRC hardness
  • Cutting power by hydraulic,5.5KW
5

Hydraulic System

  • Hydraulic power: 5.5kw
  • Working pressure: 12-16Mpa adjustable

6

Computer Control Cabinet

  • Programmable setting of profile length and quantity
  • Operating system language: English and Chinese
  • Computer used to control length & quantity. Machine will automatically cut to length and stop when required quantity is achieved
  • Length inaccuracy can be amended easily.
  • PLC: Panasonic
7

Out table

  • Size: 2m
  • One out table with three support roller
  • Quantity: 2 units
8

Bending machine

  • Max bend angle: 90°
  • Function: bend and fasten at the same time
  • power; 2.2kw

6. Warranty

  • Warranty: 1 year warranty from date of shipment
  • Guarantee:

1: Guaranteed against malfunctions due to manufacturing defects for 1 year after date of shipment. Repairs will be made free of charge.

2: Repairs will not be performed free of change even during the guarantee period in the follow circumstances

- Damage occurs due to a natural disaster

- Malfunction occurs due to user error

- Malfunction occurs due to modifications

- Malfunction occurs due to further movement or shipment after installation

3:Air ticket, transportation cost, hotel, meals and 100$ per day shall be for purchaser’s account if manufacturer’s engineer has to be send to purchaser’s factory to maintain the machine during the guarantee period.


Product Tags:

Downspout Roll Forming Machine

      

Steel Pipe Making Machine

      
Buy cheap Galvanized Steel Downspout Roll Forming Machine Hydraulic Decoiler 1 Inch Chain 3 Ton product

Galvanized Steel Downspout Roll Forming Machine Hydraulic Decoiler 1 Inch Chain 3 Ton Images

Inquiry Cart 0
Send your message to this supplier
 
*From:
*To: Zhangjiagang City Saibo Science & Technology Co.,Ltd
*Subject:
*Message:
Characters Remaining: (0/3000)